基于S6700芯片與ISO/IEC15693標準的讀卡器設計
作者:不詳
來源:RFID世界網
日期:2005-05-19 10:18:28
摘要:基于S6700芯片與ISO/IEC15693標準的讀卡器設計
摘要:采用TI公司最新的多協議收發器芯片S6700,結合MCU設計了ISO/IEC15693讀卡器,介紹S6700通信協議和ISO/IEC15693標準,給出部分子程序。S6700和MCU的接口非常簡單。
1 綜述
自從20世紀70年代IC卡誕生以來,在飛速發展的微電子技術的帶動下,IC卡已經深入到社會生活的各個角落,各種各樣的卡大大方便了人們的生活:銀行的食堂卡、信用卡,公交車使用的交通卡,就餐使用的食堂卡,出入管理使用的考勤卡,打電話使用的付費電話卡,手機中使用的SIM卡等等。
IC卡又稱為集成電路卡。卡片內封裝有集成電路,用以存儲和處理數據。IC卡的發展經歷了從存儲卡到智能卡,從接觸式卡到非接觸式卡,從近距離到遠距離的過程。ISO/IEC7816標準定義的卡是接觸卡,讀卡機具必須和卡的觸點接觸才能和和卡進行信息交換,所以磨損嚴重,容易受污染,使用壽命低,操作速度慢。為此,非接觸式卡技術迎刃而生。非接觸式卡又稱射頻卡、感應卡,采用無線電調制方式和讀卡機具進行信息交換。ISO/IEC10536定義的卡稱為密耦合卡;ISO/IEC 14443定義的卡是近耦合卡(PICC),對應讀卡機具簡寫為PCD;ISO/IEC15693對應的卡是遙耦合卡(VICC),對應的讀卡機具簡寫為VCD。VICC比PICC具有更遠的讀卡距離,二者均采用13.56MHz工作頻率,均具有防沖突機制。

圖1所示的框圖簡單表示了射頻卡讀寫系統的工作原理。
2 硬件設計
2.1 S6700芯片
S6700芯片是TI公司最新開發的針對IC卡讀寫的多協議收發器。它提供給用戶數字接口,所以應用非常方便。ASIC能夠支持的協議包括:TI TAGIT協議、ISO/IEC 15693-2、ISO/IEC 14443-2(TYPE A)等。S6700采用SSOP20封裝,+5V供電,內部封裝有發送調制器和接收解調器,采和曼徹斯特編碼方式,典型發送功率200mW,其ESD保護符合MILSTD-883標準,有IDLE、POWER DOWN、FULL POWER三種電源管理功能。
筆者利用該ASIC結合MCU完整的實現了ISO/IEC 15693-3所規定的對VICC操作上層協議。
ISO/IEC 15693-2所規定的VCD與VICC通信物理層協議全部由ASIC實現,用戶通過同步串行接口(SPI)遵照ASCI的通信求和ASIC打交道就可以實現VICC的讀寫操作。MCU和ASIC的通信接口有三根線:SCLOCK、DIN、DOUT,分別代表時鐘線、數據輸入線、數據輸出線。時鐘線是雙向的,發送數據時由MCU控制,接收數據時由ASIC控制,在時鐘的上升沿ASIC鎖存數據。DOUT除了在接收數據期間的數據輸出功能外,還用來表征ASIC內部FIFO的情況。DOUT內部下拉,平時為低電平。輸入數據過程中,當ASIC的16位FIFO寄存器滿時,DOUT線會自動跳變為高電平,直到FIFO寄存器空出,DOUT線又會跳變為低電平。在DOUT為高電平期間,輸入數據無效。除了通信線外,M_ERR線用來在同時讀多張卡的時候表征數據的沖突情況。同樣,M_RR線內部下拉,平時為低電平,沖突時此線會升為高電平。

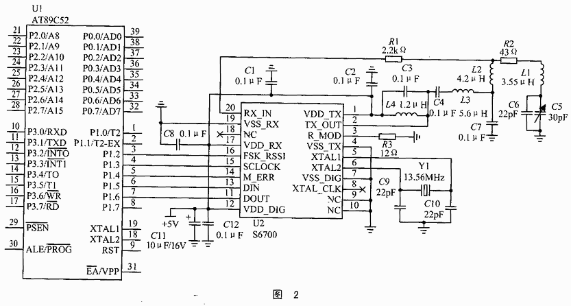
所設計的應用電路如圖2所示。圖2中包括三個部分:ASIC典型應用電路、與MCU接口電路和天線電路。R2、L1、C5、C6組成串聯諧振電路,匹配阻抗50Ω,可調電容C6用來準確調整電路諧振點在13.56MHz。如果認為ASIC 200mW輸出功率不足,也可以再加一級功放電路,以提高讀寫距離。
對ASIC的操作有三種模式:普通模式、寄存器模式和直接模式。直接模式下,MCU要直接面向處理射頻信號,比較復雜,所以此種模式一般不用。普通模式和寄存器模式操作的均是標準的數字信號,其不同在于規定芯片操作的一些參數,例如:所采用的射頻協議、調制方式及傳輸速率是由命令序列中規定的還是由寄存器所設定的。普通模式每條指令均含有該指令使用的參數,而寄存器模式指令序列中并不含這些參數,而是由預先寫入的寄存器中的數值所決定。注意,ASIC上電后必須首先初始化時間寄存器,芯片才能正常工作。
2.2 VICC——Tag-it HF-1應答器
Tag-it是TI公司為其最新開發的RFID TRANSPONDER(應答器)的注冊商標,是一個產品系列。Tag-it完全和ISO/IEC15693兼容,是VICC的一種。按TI的設想,Tag-it主要應用在智能標簽領域內,例如:特快專遞、航空行李管理,電子門票等等。
Tag-it內有64位的UID(卡號)和8位的AFI(應用識別號)、8位的DSFID(數據存儲格式),用來標識卡和特定應用的特征。卡內有2Kbit EEPROM,分成64個塊,每個塊32個bit。每個塊均可以鎖定,以保護數據免予修改。AFI、DSFID和32個塊均可讀可寫,用以存儲用戶的數據。Tag-it采用13.56MHz的載波頻率,工作于“READER TALKS FIRST”模式下,即:一問一答的模式。卡內有防沖突機制,可以同時讀多張卡而不會造成沖突。
事實上一張卡可以有多種應用,不同的塊可以存儲不同應用的數據,即所謂的“一卡通”。遺憾的是,Tag-it內沒有邏輯加密電路,無法實現密碼功能,這限制了Tag-it在其它保密性要求較高的領域的應用。
3 通信協議
發給ASIC的命令序列必須符合ASIC通信協議和ISO/IEC15693-3規范。
3.1 命令結構
在普通模式下,命令序列結構如下:

*在寄存器模式下,命令字節是1位,且該位為1。
*起邕位S1:起始位波形是當SCLOCK位高電平時DIN發生一個上升沿。

*命令字節:規定ASIC與VICC通訊時的有關參數。例如,2DH,表示支持的射頻協議是15693(1 out of 4),AM調制方式,調制率100%,返回數據波特率6.67kb/s。注意:命令字節的發送順序是高位在先,即:MSB FIRST。
*數據:數據域內容由15693-3所規定。
15693-3命令的一般格式是:

15693命令序列中,FLAGS規定著命令內容中某些可選域存在與否。注意到S1和ES1在ASIC命令序列中已經存在,所以只須把15693命令序列中FLAGS、命令序號、命令內容、CRC16等域的內容取出填入ASIC序列中的數據域打包。注意:數據域的發送順序是低位在先,即:LSB FIRST。
例如:發送字節20H的波形是:

*起臺位S2:表示VICC響應數據的開始,定義為當SCLOCK為高電平時DOUT發生一個上升沿。

3.3 通信過程注意的問題
①時間寄存器初始化。初始化序列是:S1 01111011 00000001 11000ES1。
②發送順序。命令字節(8位)發送的順序是MSB FIRST,其它數據均是LSB FIRST。
③FIFO管理。發送每一位時都要檢測DOUT的電平。DOUT高電平時停止發送,直到DOUT恢復為低電平。
④時鐘線切換。命令發送過程中,雙向時鐘SCLOCK線由MCU控制,發送完畢,在接收VICC響應之前必須進行時鐘線的切換,將控制權交由ASIC控制。
MCU放棄時鐘線控制波形(TRAN1):

⑤CRC校驗。CRC16校驗是對15693-3規定的FLAGS、命令序列號、命令內容等字節的校驗,不包括起始位和命令字節(8位)。
⑥適當延時。例如:發送命令字節后適當延時約100μs,以利ASIC正確動作。
3.4 舉例
以讀一個扇區為例,采用普通模式,VCD和VICC交互的完整過程如下:
(發送)S1(起始位)2D(命令字節)40(FLAGS)
20(讀扇區命令序號)01(扇區號)00
(校驗LOW BYTE)F2(校驗HIGH BYTE)
ES1(結束位)TRAN1(SCLOCK切換)
(接收)S2(起始位)00(FLAGS)00(扇區安全狀態)
31(數據1)32(數據2)33(數據3)34(數據4)BD 7F(校驗)ES2(結束位)
3.5 關于反沖突算法
ISO/IEC 15693中描述的VICC反沖突算法非常費解,筆者通過實踐摸索解決了這個問題,此處作為一簡單說明。該算法基本上是一種搜索算法,卡內相對應的是一種比較應答機制。舉例說明,假如READER磁場范圍內有兩張卡,其UID分別是E00700000158D1D2和E0070000015869E8,這樣當READER采用NON-ADDRESSED模式指令去讀的時候,兩張卡均會回答,M_ERR線會跳變為高電平表示數據沖突。INVENTORY命令用來查詢當前磁場范圍內卡的卡號,專用用于解決沖突問題。其參數包括:FLAGS、COMMAND、MASKLENGTH、MASKVALUE。一種最簡單的情況,設定:FLAGS.6=Nb_slots_flag=1,MAKLENGTH=4,MASKVALUE=0,當命令序列發送后,MASKVALUE會被自動與卡的UID的最低位比較,因為0≠2≠8,所以兩張卡均不回答。同樣的命令,如果MASKVALUE=2,則第一張卡就會回答;當MASKVALUE=8時第二張卡回答。如果兩張卡的卡號是:E00700000158D1D2和E0070000015869E2,則當MASKLENGTH=4,MASKVALUE=2時兩張卡均回答,就會發生沖突。解決的方法是:令MASKLENGTH=8,MASKVALUE=X2,X從0到F自增。這樣,X2=D2時第一張卡回答,X2=E2時,第二張卡回答。依此類推。卡的UID最低位沖突的概率為62‰,最低兩位沖突的榔為4‰。理解了此算法,就很容易理解標準中所描述的復雜算法。筆者采用這種逐位搜索算法編的讀多卡程序,連續讀3張卡的時間不超過500ms。
4 軟件設計
利用仿真器和PC機作為調試工具,采用8051匯編語言編程并調試通過了ISO/IEC15693-3所要求的所有命令。軟件的主要功能包括:從PCRS232口接收命令數據,進行一次分揀處理后打包成ASIC命令序列,并發送給VICC。然后,接收VICC的響應,進行一定的分揀處理后通過RS232發送給PC機。
注:本文只描述有關與VICC通信的部分。
1 綜述
自從20世紀70年代IC卡誕生以來,在飛速發展的微電子技術的帶動下,IC卡已經深入到社會生活的各個角落,各種各樣的卡大大方便了人們的生活:銀行的食堂卡、信用卡,公交車使用的交通卡,就餐使用的食堂卡,出入管理使用的考勤卡,打電話使用的付費電話卡,手機中使用的SIM卡等等。
IC卡又稱為集成電路卡。卡片內封裝有集成電路,用以存儲和處理數據。IC卡的發展經歷了從存儲卡到智能卡,從接觸式卡到非接觸式卡,從近距離到遠距離的過程。ISO/IEC7816標準定義的卡是接觸卡,讀卡機具必須和卡的觸點接觸才能和和卡進行信息交換,所以磨損嚴重,容易受污染,使用壽命低,操作速度慢。為此,非接觸式卡技術迎刃而生。非接觸式卡又稱射頻卡、感應卡,采用無線電調制方式和讀卡機具進行信息交換。ISO/IEC10536定義的卡稱為密耦合卡;ISO/IEC 14443定義的卡是近耦合卡(PICC),對應讀卡機具簡寫為PCD;ISO/IEC15693對應的卡是遙耦合卡(VICC),對應的讀卡機具簡寫為VCD。VICC比PICC具有更遠的讀卡距離,二者均采用13.56MHz工作頻率,均具有防沖突機制。

圖1所示的框圖簡單表示了射頻卡讀寫系統的工作原理。
2 硬件設計
2.1 S6700芯片
S6700芯片是TI公司最新開發的針對IC卡讀寫的多協議收發器。它提供給用戶數字接口,所以應用非常方便。ASIC能夠支持的協議包括:TI TAGIT協議、ISO/IEC 15693-2、ISO/IEC 14443-2(TYPE A)等。S6700采用SSOP20封裝,+5V供電,內部封裝有發送調制器和接收解調器,采和曼徹斯特編碼方式,典型發送功率200mW,其ESD保護符合MILSTD-883標準,有IDLE、POWER DOWN、FULL POWER三種電源管理功能。
筆者利用該ASIC結合MCU完整的實現了ISO/IEC 15693-3所規定的對VICC操作上層協議。
ISO/IEC 15693-2所規定的VCD與VICC通信物理層協議全部由ASIC實現,用戶通過同步串行接口(SPI)遵照ASCI的通信求和ASIC打交道就可以實現VICC的讀寫操作。MCU和ASIC的通信接口有三根線:SCLOCK、DIN、DOUT,分別代表時鐘線、數據輸入線、數據輸出線。時鐘線是雙向的,發送數據時由MCU控制,接收數據時由ASIC控制,在時鐘的上升沿ASIC鎖存數據。DOUT除了在接收數據期間的數據輸出功能外,還用來表征ASIC內部FIFO的情況。DOUT內部下拉,平時為低電平。輸入數據過程中,當ASIC的16位FIFO寄存器滿時,DOUT線會自動跳變為高電平,直到FIFO寄存器空出,DOUT線又會跳變為低電平。在DOUT為高電平期間,輸入數據無效。除了通信線外,M_ERR線用來在同時讀多張卡的時候表征數據的沖突情況。同樣,M_RR線內部下拉,平時為低電平,沖突時此線會升為高電平。

所設計的應用電路如圖2所示。圖2中包括三個部分:ASIC典型應用電路、與MCU接口電路和天線電路。R2、L1、C5、C6組成串聯諧振電路,匹配阻抗50Ω,可調電容C6用來準確調整電路諧振點在13.56MHz。如果認為ASIC 200mW輸出功率不足,也可以再加一級功放電路,以提高讀寫距離。
對ASIC的操作有三種模式:普通模式、寄存器模式和直接模式。直接模式下,MCU要直接面向處理射頻信號,比較復雜,所以此種模式一般不用。普通模式和寄存器模式操作的均是標準的數字信號,其不同在于規定芯片操作的一些參數,例如:所采用的射頻協議、調制方式及傳輸速率是由命令序列中規定的還是由寄存器所設定的。普通模式每條指令均含有該指令使用的參數,而寄存器模式指令序列中并不含這些參數,而是由預先寫入的寄存器中的數值所決定。注意,ASIC上電后必須首先初始化時間寄存器,芯片才能正常工作。
2.2 VICC——Tag-it HF-1應答器
Tag-it是TI公司為其最新開發的RFID TRANSPONDER(應答器)的注冊商標,是一個產品系列。Tag-it完全和ISO/IEC15693兼容,是VICC的一種。按TI的設想,Tag-it主要應用在智能標簽領域內,例如:特快專遞、航空行李管理,電子門票等等。
Tag-it內有64位的UID(卡號)和8位的AFI(應用識別號)、8位的DSFID(數據存儲格式),用來標識卡和特定應用的特征。卡內有2Kbit EEPROM,分成64個塊,每個塊32個bit。每個塊均可以鎖定,以保護數據免予修改。AFI、DSFID和32個塊均可讀可寫,用以存儲用戶的數據。Tag-it采用13.56MHz的載波頻率,工作于“READER TALKS FIRST”模式下,即:一問一答的模式。卡內有防沖突機制,可以同時讀多張卡而不會造成沖突。
事實上一張卡可以有多種應用,不同的塊可以存儲不同應用的數據,即所謂的“一卡通”。遺憾的是,Tag-it內沒有邏輯加密電路,無法實現密碼功能,這限制了Tag-it在其它保密性要求較高的領域的應用。
3 通信協議
發給ASIC的命令序列必須符合ASIC通信協議和ISO/IEC15693-3規范。
3.1 命令結構
在普通模式下,命令序列結構如下:
*在寄存器模式下,命令字節是1位,且該位為1。
*起邕位S1:起始位波形是當SCLOCK位高電平時DIN發生一個上升沿。

*命令字節:規定ASIC與VICC通訊時的有關參數。例如,2DH,表示支持的射頻協議是15693(1 out of 4),AM調制方式,調制率100%,返回數據波特率6.67kb/s。注意:命令字節的發送順序是高位在先,即:MSB FIRST。
*數據:數據域內容由15693-3所規定。
15693-3命令的一般格式是:
15693命令序列中,FLAGS規定著命令內容中某些可選域存在與否。注意到S1和ES1在ASIC命令序列中已經存在,所以只須把15693命令序列中FLAGS、命令序號、命令內容、CRC16等域的內容取出填入ASIC序列中的數據域打包。注意:數據域的發送順序是低位在先,即:LSB FIRST。
例如:發送字節20H的波形是:

*起臺位S2:表示VICC響應數據的開始,定義為當SCLOCK為高電平時DOUT發生一個上升沿。

3.3 通信過程注意的問題
①時間寄存器初始化。初始化序列是:S1 01111011 00000001 11000ES1。
②發送順序。命令字節(8位)發送的順序是MSB FIRST,其它數據均是LSB FIRST。
③FIFO管理。發送每一位時都要檢測DOUT的電平。DOUT高電平時停止發送,直到DOUT恢復為低電平。
④時鐘線切換。命令發送過程中,雙向時鐘SCLOCK線由MCU控制,發送完畢,在接收VICC響應之前必須進行時鐘線的切換,將控制權交由ASIC控制。
MCU放棄時鐘線控制波形(TRAN1):

⑤CRC校驗。CRC16校驗是對15693-3規定的FLAGS、命令序列號、命令內容等字節的校驗,不包括起始位和命令字節(8位)。
⑥適當延時。例如:發送命令字節后適當延時約100μs,以利ASIC正確動作。
3.4 舉例
以讀一個扇區為例,采用普通模式,VCD和VICC交互的完整過程如下:
(發送)S1(起始位)2D(命令字節)40(FLAGS)
20(讀扇區命令序號)01(扇區號)00
(校驗LOW BYTE)F2(校驗HIGH BYTE)
ES1(結束位)TRAN1(SCLOCK切換)
(接收)S2(起始位)00(FLAGS)00(扇區安全狀態)
31(數據1)32(數據2)33(數據3)34(數據4)BD 7F(校驗)ES2(結束位)
3.5 關于反沖突算法
ISO/IEC 15693中描述的VICC反沖突算法非常費解,筆者通過實踐摸索解決了這個問題,此處作為一簡單說明。該算法基本上是一種搜索算法,卡內相對應的是一種比較應答機制。舉例說明,假如READER磁場范圍內有兩張卡,其UID分別是E00700000158D1D2和E0070000015869E8,這樣當READER采用NON-ADDRESSED模式指令去讀的時候,兩張卡均會回答,M_ERR線會跳變為高電平表示數據沖突。INVENTORY命令用來查詢當前磁場范圍內卡的卡號,專用用于解決沖突問題。其參數包括:FLAGS、COMMAND、MASKLENGTH、MASKVALUE。一種最簡單的情況,設定:FLAGS.6=Nb_slots_flag=1,MAKLENGTH=4,MASKVALUE=0,當命令序列發送后,MASKVALUE會被自動與卡的UID的最低位比較,因為0≠2≠8,所以兩張卡均不回答。同樣的命令,如果MASKVALUE=2,則第一張卡就會回答;當MASKVALUE=8時第二張卡回答。如果兩張卡的卡號是:E00700000158D1D2和E0070000015869E2,則當MASKLENGTH=4,MASKVALUE=2時兩張卡均回答,就會發生沖突。解決的方法是:令MASKLENGTH=8,MASKVALUE=X2,X從0到F自增。這樣,X2=D2時第一張卡回答,X2=E2時,第二張卡回答。依此類推。卡的UID最低位沖突的概率為62‰,最低兩位沖突的榔為4‰。理解了此算法,就很容易理解標準中所描述的復雜算法。筆者采用這種逐位搜索算法編的讀多卡程序,連續讀3張卡的時間不超過500ms。
4 軟件設計
利用仿真器和PC機作為調試工具,采用8051匯編語言編程并調試通過了ISO/IEC15693-3所要求的所有命令。軟件的主要功能包括:從PCRS232口接收命令數據,進行一次分揀處理后打包成ASIC命令序列,并發送給VICC。然后,接收VICC的響應,進行一定的分揀處理后通過RS232發送給PC機。
注:本文只描述有關與VICC通信的部分。